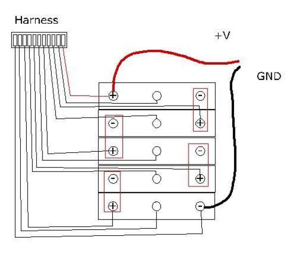
Leaf Cells (as they are called) are salvaged battery packs from the Nissan Leaf electric car. They are often found by PPPRS members who disassemble them into individual cells, each consisting of a 7.3 volt pack.
Leaf Cells are a bit more complicated, and potentially more dangerous than the SLA batteries most teams started out with.
See Also: https://rogershobbycenter.com/lipoguide/